避雷器的安装知识分享
2023-08-16 乐投体育在线注册,乐投体育(中国)
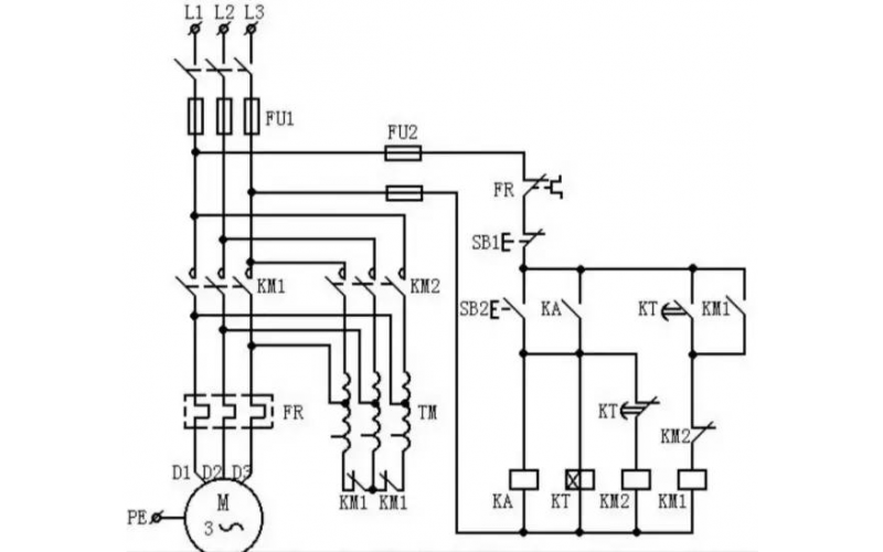
常用低压电器的安装与调试
2023-08-15 乐投体育在线注册,乐投体育(中国)
电压互感器非正常时的应急处理
配电系统中PT柜的作用是什么?PT柜和计量柜有什么区别?
2023-08-11 乐投体育在线注册,乐投体育(中国)
电机的重载和轻载保护值,你还在乱设吗?是有规矩的,看完就懂了
测温仪表安装知识分享
2023-08-09 乐投体育在线注册,乐投体育(中国)
电动机检查接线、起重机和电梯电气安装知识
2023-08-08 乐投体育在线注册,乐投体育(中国)
电站干扰和接地的异常事件
2023-08-04 乐投体育在线注册,乐投体育(中国)