接地故障,是小电流接地系统相间故障的罪魁祸首
2022-07-16 乐投体育在线注册,乐投体育(中国)电气
NPN和PNP传感器在控制系统中的应用分享
2022-07-14 乐投体育在线注册,乐投体育(中国)
发电厂#1机组POC站异常离线分析处理分享
DSQN-16系列电磁流量计必要的一些功能
KW20系列插板门到位信号不发故障判断处理
2022-07-13 乐投体育在线注册,乐投体育(中国)
4B高加液位异常现象分析
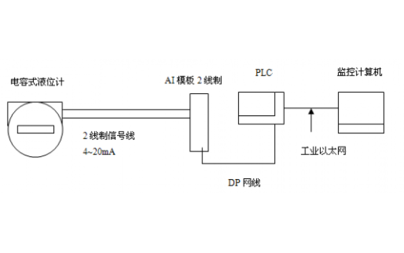
GF5-J5系列电容液位计的应用及维护分享
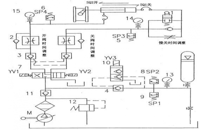
#5机B循泵液控蝶阀关阀故障分析知识分享
2022-07-12 乐投体育在线注册,乐投体育(中国)